
概述:
SWF系列混流風機選擇的是子午面來提速這個方式做的,葉輪的輪轂它的形狀是上面尖銳、下面圓粗的,另外在風機入口設有錐形集流器,因為氣流是沿著傾斜的方向流出來的,所以該集流器具有軸流和離心兩種特性,并能有效地減少外部流動的噪音。在單位風量以及單位風壓狀況下面,要比 A聲級低2~3dB(A),并且在緩慢的旋轉速度下,能夠獲得更高的風機壓力,從而替代低壓的離心風機。
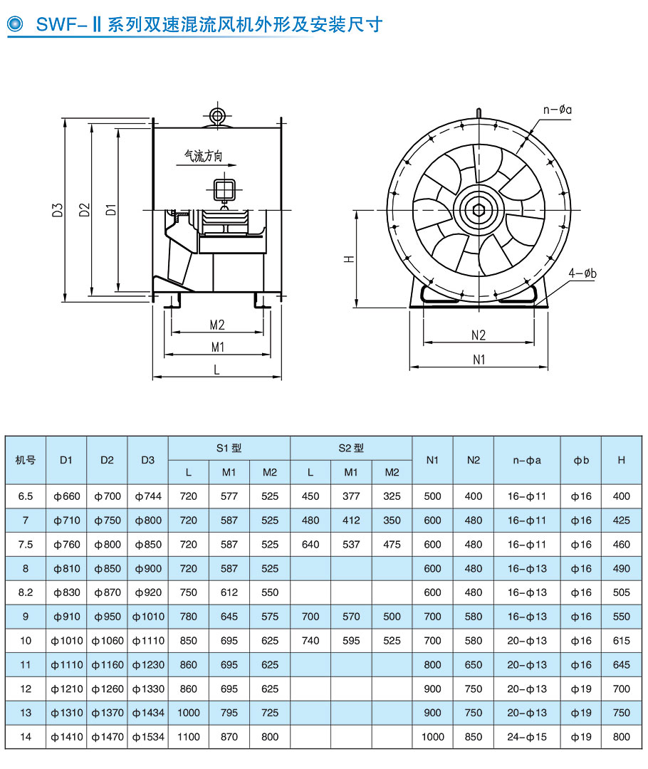
風機按機號分為250~1400mm十八種規格,系列風量為500~110000m/h,全壓為50~1400Pa。風機根據調速方式可分為單速(I型),雙速(Ⅱ型)。雙速風機可滿足用戶對不同工況點性能調節的需要,配用雙速電機實現兩檔調速,風機也可配用變頻電機和變頻控制器,實現變頻調速,建議調節頻率鎖定在25Hz~50Hz。
為了可以符合防爆環境的要求,可將風機制成防爆型風機,其防爆等級是EXdHIBT4Gb,并獲得了產品防爆合格證。
為了能夠適應不一樣場合噪聲的需求,風機都可以配備不一樣的長度的消聲器,也可以把風機做成包覆式(殼體消聲)。












