
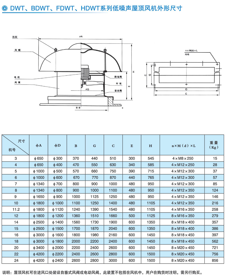
概述:
DWT系列低噪聲屋頂風機主要應用于大型火力發電廠、核電廠、橡膠廠等大型工業廠房及民用建筑的通風換氣,根據輸送氣體的類別還可分為:DWT普通型系列、BDWT防爆型系列、FDWT防腐型系列、HDWT耐高溫型系列及DWT-Ⅱ、I型離心式系列。產品具有噪聲低、效率高、能耗省、耐腐蝕、耐高溫、安全防爆等特點。其中防爆屋頂風機已通過了國家防爆電氣產品質量監督檢驗中心的合格檢測,并獲得了防爆電氣生產許可證,為產生易燃易爆氣體的特殊行業的通風換氣提供了安全保障。
屋頂風機安裝注意事項:
一.基礎一定要高出屋面,表層需要平整,必須要提前埋藏好地腳螺栓,防止使用的時候松動。
二.詳細檢查風機各部件,使用中無異樣,電壓、電流在正常規模內。
三.每隔半年就要檢查一下連接件、緊固件等。長時間停機之后,應該要重新檢查。








